-
卓立汉光LAK系列高精密电动直线滑台LAK20-60
详细信息| 询价留言品牌:卓立汉光 型号:LAK20-60 加工定制:否 说明:
LAK 系列电动直线滑台是卓立汉光为解决小尺寸、高重复使用频率等情况专门设计的高精密型电动直线滑台。该系列产品主体材料采用硬质铝合金,表面黑色阳极氧化处理,耐磨性好、外型美观。导轨采用线性滑块导轨,强度高、负载能力强、耐用性好,配合卓立汉光特有的导轨面精密加工技术,使该系列产品具有较高的运动精度。驱动机构采用滚珠丝杠传动,标配五相步进电机,可提供较高的分辨率和定位精度。该系列产品非常适合集成在对空间、尺寸、重量要求较高的自动化设备、精密仪器设备等中,也比较适合使用在运动范围较小、往复频率高的工业生产线中。
特点:
• 滚珠丝杠驱动,耐用性好
• 采用线性滑块导轨,运行平稳
选型表:
型号
LAK20-60
机械规格
行程(mm)
20
台面尺寸(mm)
60×60
传动机构
进口C3滚珠丝杠,Φ6×1
导轨(导向机构)
线性滑块导轨
主体材料及表面处理
铝合金,黑色阳极氧化处理
自重(Kg)
0.58
联轴器(外径-孔径1-孔径2)(mm)
16-03-05
精度规格
分辨率(整步/半步,μm)
2/1
20细分下的分辨率(μm)
0.1
*大速度(mm/s)*
20
单向定位精度(μm)
≤20
重复定位精度(μm)
≤±1
回程间隙(μm)
≤1
静态平行度(mm)
≤0.05
运动直线度(μm)
≤10
运动平行度(μm)
≤10
偏摆(″)
≤25
俯仰(″)
≤30
专用规格
微步能力(μm)
≤1
容许力矩负载
上下摆动(N·m)
9.31
左右摆动(N·m)
9.8
轴向转动(N·m)
9.31
力矩刚性
上下摆动(μm/90N·cm)
≤6
左右摆动(μm/90N·cm)
≤6
电气规格
电机及步距角(°)
五相28步进,0.72
电机品牌及型号
东方马达,PKP523N12B-L
工作电流(A)
1.2
电机保持转矩(mN·m)
52.5
驱动器品牌及型号(另配)
东方马达,CVD512BR-K
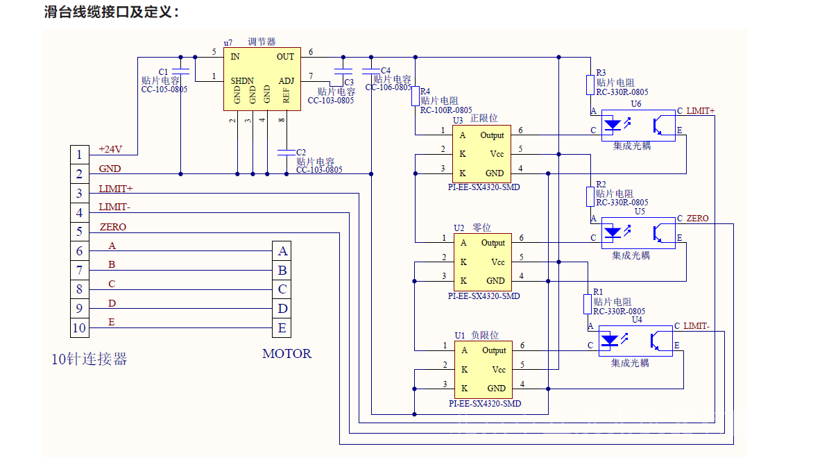
滑台接头
10针连接器
滑台接头线缆类型
运动线缆
滑台接头线缆长度(m)
0.2
限位传感器
2个EE-SX4320(日本OMRON)
原点传感器
1个EE-SX4320(日本OMRON)
传感器电源电压(V)
DC5~24V±10%
控制输出
NPN开路集电极输出 DC5~24V 8mA以下 残留电压0.3V以下(负载电流2mA时)
输出逻辑
检测(遮光)时:输出晶体管OFF(非导通)
负载
水平负载(Kg)
8
竖直负载(Kg)
3
倒置负载(Kg)
4
-
-
产品搜索
联系方式
- 联系人:市场部
- 电 话:010-56370168-696
- 手 机:13810146393
- 传 真:010-56370168
- 邮 编:101102
- 地 址:北京市中关村科技园区通州园金桥产业基地环科中路16号,联东U谷中试区68号B座
- 网 址: https://bjzolix.cn.goepe.com/
http://www.bjzolix.com


手机访问






