-
卓立汉光激光诱导荧光光谱诊断系统
详细信息| 询价留言品牌:卓立汉光 型号:激光诱导荧光光谱诊断系统 加工定制:否 - 前言
作为物质存在的第四种状态的等离子体通常由电子、离子和处于基态以及各种激发态的原子、分子等中性粒子组成。等离子体中带电离子间库伦相互作用的长程特性,是带电粒子组分的运动状态对等离子体特性的影响起决定性作用,其中的电子是等离子体与电磁波作用过程中*重要的能量与动量传递粒子,因此,等离子体中*重要的基本物理参数是电子密度及其分布以及描述电子能量分布的函数以及相应的电子温度。而对于中高气压环境下产生的非热低温等离子体来说,等离子体中的主要组分是处于各种激发态的中性粒子,此时除了带电粒子外,中性粒子的分布和所处状态对等离子体电离过程和稳定性控制也起着非常重要的作用,尤其是各种长寿命亚稳态离子的激发。
为了可以充分描述等离子体的状态,在实验上不仅要对带电粒子的分布和运动状态进行诊断,如电子温度、电子密度、电离温度等参数,还需要对等离子体中的中性粒子进行必要的实验测量,来获得有关物种的产生、能量分布以及各个激发态布居数分布等信息,如气体温度、转动温度、振动温度、激发温度等参数。
基于这种要求,结合相关学科的各种技术形成了一个专门针对等离子体开展诊断研究的技术门类,如对等离子体中电子组分的诊断技术有朗缪尔探针法(Langmuir Probe),干涉度量法(Interferometer),全息法(Holographic Method),汤姆逊散射法(Thomason Scattering, TS),发射光谱法(Optical Emmission Spectroscopy, OES)等,对离子组分的光谱诊断技术有光腔衰减震荡(Cavity Ring-Down Spectroscopy, CRDS)和发射光谱法(OES),而对中性粒子的光谱诊断技术包括了吸收光谱法(Absorption Spectroscopy, AS),发射光谱法(OES),单光子或者双光子激光诱导荧光(Laser Induced Fluorescence, LIF)等。
二、激光诱导荧光(LIF or TALIF)
LIF在等离子体上的应用诊断开始于1975年左右,首先是由R.Stern和J.Johnson提出的利用LIF装置可以测量中性基团和离子的相对速度、速度分布函数等。90年代后,LIF被陆续应用到了ECR、ICR、磁控管、螺旋波HELIX、ICP以及微波驱动CVD等等离子体源中。
2.1、 等离子体 LIF诊断的基本模型
处于基态或亚稳态的粒子吸收具有一定能量的光子后被激发,再从激发态衰变为自旋多重度相同的基态或低能态时,就会发出荧光辐射。而荧光光强与粒子数成正比,因此,通过测量荧光光强,可以确定处于基态或亚稳态的粒子密度。由于这种荧光发射的时间长度低于微妙量级,必须采用脉冲宽度在纳秒量级的激光来激发荧光,这种诊断方法因此被称作激光诱导荧光(LIF)。
图1. LIF基本原理图
图1[1]为LIF的基本原理图,在一个三能级系统中:离子处于亚稳态时,当照射激光能量等于跃迁激发的能量,离子被泵浦到激发态。由于激发态不稳定,离子又会迅速退激到基态并辐射出荧光。在激发态上停留时间很短暂(一般只有几纳秒宽度)。由于离子不是静止的,根据多普勒效应可知,在激光传输方向上存在一个速度选择,只有在激光传输方向上满足一定速度的离子才能被特定频率的激光诱导激发:窄带激光束(ωlaser,κlaser)入射,在入射方向上,只有离子速度 和激光频率满足关系式 时,才能通过相应的激光激发被泵浦到激发态。对入射激光频率进行扫描变换,测量相应的荧光光强变化,就能得到亚稳态离子速度分布函数在入射激光方向上的投影。如果假定亚稳态离子温度和主体基态离子温度一致,离子速度分布函数等动力学参数即可获得。
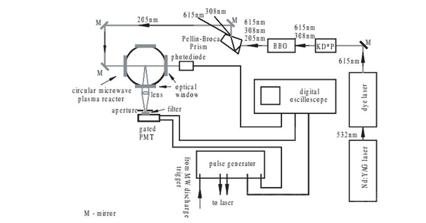
2.2、 典型LIF实验架构与世界上的LIF架构参考
如图2所示,为典型的等离子体装置LIF诊断实验架构图。
图2 典型的等离子体LIF诊断架构图
因为基团和粒子的激发波长不同,因此我们选择了波长可调谐的纳秒脉宽染料激光器,通过添加不同的染料,输出不同的波长对被测试的粒子和基团进行激发,从而得到激光诱导的荧光衰减与光谱信号,这些信号经由相关的搜集光路被捕获到光谱仪与ICCD探测器组成的光谱探测系统中,从而得到光谱、强度与时间尺度的三维荧光光谱,让研究人员进行相关的分析。图中所用的DG535/645作为整个实验系统的时序控制装置。
图3到图4为世界上比较典型的不同等离子体装置的LIF诊断情况。
图3. University of Greifswald LIF诊断系统(H原子)
图4. IHP LIF诊断系统
2.3、典型的LIF波长选择举例
- 对Ar等离子体和He等离子体放电,常用的激光器波长可调谐范围不需要太宽
- 要测H(氢)等离子体,激光波长需要205nm
- 测CF等离子体 需要261nm
- 同时测 Ar等离子体的LIF,因为观测另一条谱线,所用的激光波长又是611nm的
所以LIF的波长范围应该根据要观测的等离子体放电的气体种类及观测那条谱线来决定
2.4、硬件配置推荐
根据用户需求,一般推荐的配置如下:
1、染料可调激光器:可选配置从200-4500nm 宽范围调谐2、 光谱仪:
- Ø Zolix 北京卓立汉光仪器有限公司的Omni-500I 或750I光谱仪搭配1200l/mm和1800l/mm的全息光栅
- Ø 207或者205高光通量光谱仪,搭配110*110mm 的大尺寸1200l/mm光栅和1800l/mm光栅
2、 探测器:
ICCD, 18mm 增强器,13*13mm 探测面;
- DG645:用于系统触发控制的时序单元
- 其他光学平台及光路设计等
- 光电倍增管PMT/锁相放大器/ Boxcar 模块 等请咨询卓立汉光销售人员!
参考文献
[1] 赵岩, 柏洋, 金成刚, 等.激光诱导荧光在低温等离子体诊断中的应用[J]. 激光与红外, 2012, 4(42): 365-371.
-
-
产品搜索
联系方式
- 联系人:市场部
- 电 话:010-56370168-696
- 手 机:13810146393
- 传 真:010-56370168
- 邮 编:101102
- 地 址:北京市中关村科技园区通州园金桥产业基地环科中路16号,联东U谷中试区68号B座
- 网 址: https://bjzolix.cn.goepe.com/
http://www.bjzolix.com


手机访问











