-
CXZ10-120电动升降滑台zolix
详细信息| 询价留言品牌:zolix 型号:CXZ10-120 加工定制:是 CXZ10-120 电动升降滑台zolix
产品说明:
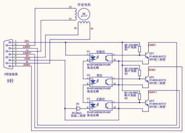
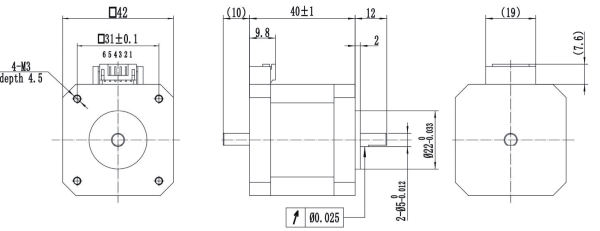
CXZ 系列电动升降滑台是北京卓立汉光仪器有限公司为解决小尺寸、高重复使用频率等情况专门设计的电动升降滑台。 该系列产品主体材料采用硬质铝合金,表面黑色阳极氧化处理,耐磨性好、外型美观。导轨采用交叉滚柱,强度高、负载能力强、耐用性好。采用滚珠丝杠传动,标配二相步进电机,可提供较高的分辨率和重复定位精度。该系列产品非常适合集成在对空间、尺寸 重量要求较高的自动化设备、精密仪器设备等中,也比较适合使用在运动范围较小、往复频率高的工业生产线中。
特点:
• 滚珠丝杠驱动,耐用性好
• 楔块结构,强度高、负载能力大
• 采用交叉滚柱导轨,运行平稳
命名规则:

主要技术规格:

-
-
产品搜索
联系方式
- 联系人:市场部
- 电 话:010-56370168-696
- 手 机:13810146393
- 传 真:010-56370168
- 邮 编:101102
- 地 址:北京市中关村科技园区通州园金桥产业基地环科中路16号,联东U谷中试区68号B座
- 网 址: https://bjzolix.cn.goepe.com/
http://www.bjzolix.com


手机访问








